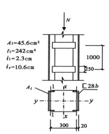
问答题 钢结构计算题:图示格构式缀条柱,受轴心压力N=1460kN(设计值),柱高7.2m,两端铰接,钢材强度设计值f=215N/mm2,其它条件见图示。验算此柱绕虚轴x轴的整体稳定.λ404550556065707580φ0.8990.8780.8560.8330.8070.7800.7510.7200.688 的答案
成人教育远程网络教育函授网上考试【钢结构】课程在线考试模拟试题正确答案解析,免费查看【钢结构】作业答案。
题目内容:
钢结构计算题:图示格构式缀条柱,受轴心压力N=1460kN(设计值),柱高7.2m,两端铰接,钢材强度设计值f=215N/mm2,其它条件见图示。验算此柱绕虚轴x轴的整体稳定.λ404550556065707580φ0.8990.8780.8560.8330.8070.7800.7510.7200.688
题目选项
计算题:图示格构式缀条柱,受轴心压力N=1460kN(设计值),柱高7.2m,两端铰接,钢材强度设计值f=215N/mm2,其它条件见图示。验算此柱绕虚轴x轴的整体稳定.λ404550556065707580φ0.8990.8780.8560.8330.8070.7800.7510.7200.688
参考答案价值:100%
题目内容:
钢结构计算题:图示格构式缀条柱,受轴心压力N=1460kN(设计值),柱高7.2m,两端铰接,钢材强度设计值f=215N/mm2,其它条件见图示。验算此柱绕虚轴x轴的整体稳定.λ404550556065707580φ0.8990.8780.8560.8330.8070.7800.7510.7200.688
题目选项
计算题:图示格构式缀条柱,受轴心压力N=1460kN(设计值),柱高7.2m,两端铰接,钢材强度设计值f=215N/mm2,其它条件见图示。验算此柱绕虚轴x轴的整体稳定.λ404550556065707580φ0.8990.8780.8560.8330.8070.7800.7510.7200.688
参考答案价值:100%
没有找到相关结果
已邀请:
0 个回复